HobbyCNC fórum  
v0.9.6 Régi HobbyCNC oldal: http://archiv.hobbycnc.hu

Új regisztráció / Átregisztráció a régi fórumról
    
   

 
Épül a gépem ::: mambablack2009

.......

 

Időrend:
Oldal 1 / 4   Sorok:
1  2  3  4   Következő ►  Utolsó ►|

  Fórum főoldal  |  A lap aljára

n/a (inaktív)    2013-07-05 18:40:00 [182]


n/a (inaktív)    2012-10-10 20:07:00 [181]

Nehogy lemaradjon 2012 sem......
MY CNC 4Axis LPT controller test!
MY CNC 4Axis ESS controller test!


n/a (inaktív)    2011-09-30 12:45:00 [180]

#140 MILL BOARD PCB


n/a (inaktív)    2011-09-29 12:22:00 [179]

pwm/feszültség átalakitó mach3 ugyszintén fix pwm ad ki a fekvencia váltonak (föorso fordulat szám szabályzás) motor felé a fekvencia váltonak van egy 0-10v bemenete ehez kel a segéd eletronika!

Előzmény: pbalazs, 2011-09-29 11:36:00 [178]


pbalazs | 638    2011-09-29 11:36:00 [178]

OK, asszem, most már értem. Ez nem egy fesz. növelő charge pump, hanem csak az a célja, hogy lekapcsoljon a FET, ha megáll a négyszögjel, mindegy, hogy milyen állapotban.

Másik kérdés: a kapcsolás alján a "0-10V convert" áramkör mire való?

UI: bocsi, ha vihart kavartam, csak nem volt tiszta, hogy mi mire való...

Előzmény: n/a (inaktív), 2011-09-29 10:31:00 [177]

n/a (inaktív)    2011-09-29 10:31:00 [177]

cpump sample....


Törölt felhasználó    2011-09-29 09:28:00 [176]

Ne viccelj már, ne kérj elnézést. A #172-ben ezt írtam: "Azt a C5-ös szorzót nem értem....". Talán ezt nem vetted észre a #173 válaszodban, de mostmár mindent sikerült tisztázni, és én bocsi, hogy C4 C5 R4 alatt szorzást értettem.
Minden tisztázódott, egyértelművé vált, ez a fontos!

Előzmény: Egyújabbgépépítő, 2011-09-29 09:18:00 [175]


Egyújabbgépépítő | 1297    2011-09-29 09:18:00 [175]

Tibor ha jól megnézed én ezt írtam "Ha az IC1 1 be marad akkor az időállandó C4 C5 R4."
Te meg ezt gondoltad "Ha az IC1 1 be marad akkor az időállandó C4*C5*R4."
Elismerem pongyola voltam mert ezt kellet volna írnom:"Ha az IC1 1 be marad akkor az időállandót C4 C5 R4 határozza meg ."
Még egyszer elnézésed kérem a pongyola fogalmazásomért.

Előzmény: Törölt felhasználó, 2011-09-29 09:10:00 [174]


Törölt felhasználó    2011-09-29 09:10:00 [174]

Azt továbbra sem értem, amit eredetileg felvetettem, hogy miért lesz C5*C4*R4 az idő állandó a (C5+C4)*R4 helyett, ha már párhuzamosan kapcsolódnak a kondik.

Előzmény: Egyújabbgépépítő, 2011-09-29 08:24:00 [173]


Egyújabbgépépítő | 1297    2011-09-29 08:24:00 [173]

Hát ha nagyon akarsz analizálni...
A D9 gondoskodik róla hogy a C5 töltése közel 0 legyen.
Ha az IC1 1 ben marad mivel open collector nem játszik szerepet ebben az esetben.
Az R4 C4 elkezd kisülni az időállandónak megfelelően, de a D8 miatt tölteni kezdi a C5 -öt.
Töltés szempontjából a C4 C5 párhuzamosan kapcsolódik.
Az R5 értéke elhanyagolható az R4 értékéhez képest és nem foglalkozunk a D8 maradékfeszültségével.
A valós helyzet komplexebb de nagyjából ez történik.
A szintrögzítés régebben gyakran alkalmazott megoldás volt, ha nem lenne a D9 a C5 polarizálódna egy C4 C5 R4 R5 és a frekvencia által meghatározott feszültségszintre.

Előzmény: Törölt felhasználó, 2011-09-29 08:06:00 [172]


Törölt felhasználó    2011-09-29 08:06:00 [172]

"Ha az IC1 1 be marad akkor az időállandó C4 C5 R4."
Azt a C5-ös szorzót nem értem.... Szerintem marad jó közelítéssel ekkor is a R4*C4 időállandó.
Ha pedig a meghajtás oldalról + 0 - táplálás lenne + 0 helyett, akkor maga a kapcsolás alkalmas feszültség kétszerezésre. De abban igazad van, itt nem ilyen a maghajtás, így nem is történik kétszerezés.

Előzmény: Egyújabbgépépítő, 2011-09-29 07:43:00 [170]


Egyújabbgépépítő | 1297    2011-09-29 07:54:00 [171]

Elnézést a D9 helyesen nevezve szintrögzítő.

Előzmény: Egyújabbgépépítő, 2011-09-29 07:43:00 [170]


Egyújabbgépépítő | 1297    2011-09-29 07:43:00 [170]

Elnézést hogy bele szólok.
Szerintem ez nem kétszerező, egyszerűen a D9 feszültségrögzítő, a D8 pedig egyenirányító szerepet tölt be.
A lényeg hogy ha a bemenet "kifagy" bármelyik állapotban a C5 miatt a Q1 az R4 C4 által meghatározott időállandó szerint kiolt.
Ha az IC1 1 be marad akkor az időállandó C4 C5 R4.


n/a (inaktív)    2011-09-28 23:09:00 [169]

melyik gyorsabb öszerakni vagy kiszámolni
cpump1_testcpump2_test


Törölt felhasználó    2011-09-28 23:06:00 [168]

Ebben a kapcsolásban PWM esetén állandósult állapotban 5-0.7=4.3 V körül lesz a FET Gate ponton a feszültség, tehát működik. A 0.7 a dióda nyitóirányú feszültségesése.

Előzmény: pbalazs, 2011-09-28 21:30:00 [163]

elektron | 15859    2011-09-28 22:17:00 [167]

Szerintem itt az lesz, hogy 5V ig töltődik fel , első lépésben 2.5V-ig, majd a maradék különbség feleződik, majd megint, ha a diódákat nem számoljuk, azt nullának vennénk, de mivel az se nulla, ezért azon esik még annyi, valamennyi.

Előzmény: pbalazs, 2011-09-28 21:30:00 [163]


elektron | 15859    2011-09-28 22:08:00 [166]


elektron | 15859    2011-09-28 22:08:00 [165]

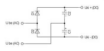
Feszültség késtszerező kapcsolás AC bemenet !!!!!!

Csak AC bemenet van ez biztos jó, de emez nekem is gyanús kicsit valahogy tényleg.

Előzmény: pbalazs, 2011-09-28 21:30:00 [163]


elektron | 15859    2011-09-28 22:01:00 [164]

Nem kell azt szimulálni, csak két ábra kell hozzá egy a pozitív eset egy a negatív, és elvileg látszik hogy jó vagy nem. Összehasonlítottam egy másik rajzzal jónak nézem bár lehet hogy tévedek.

Előzmény: pbalazs, 2011-09-28 21:30:00 [163]


pbalazs | 638    2011-09-28 21:30:00 [163]

Azt értem, hogy fesz. kétszerező akar lenni, de szerintem nem működik így, épp ezt mondom. Rá kéne mérni szkóppal a gate-re. Én arra tippelek, hogy 2,5V-nál nemigen van ott nagyobb fesz.

De majd holnap szimulálom az áramkört, és sűrűn bocsánatot kérek majd, ha tévedtem.

Előzmény: elektron, 2011-09-28 19:57:00 [160]


n/a (inaktív)    2011-09-28 20:48:00 [162]

bár én inkább vonal meghajtot raknék ha direkt pwm a cél jobb az átviteli jelalak is!
de ide böven meg felel a logikai opto pár khz ra is

Előzmény: elektron, 2011-09-28 19:59:00 [161]


elektron | 15859    2011-09-28 19:59:00 [161]

A nagyon lassú optók a sebességük miatt nem jók oda, ha alacsonyabb a freki akkor azok is jók elnnének valameddig elvileg, meg a levezető ellenállás se mindegy mekkora persze, ha nagyon beterhel hamar leesik a fesz illetve nem éri el.

Előzmény: n/a (inaktív), 2011-09-28 19:48:00 [159]


elektron | 15859    2011-09-28 19:57:00 [160]

Az egy feszültség kétszerező kapcsolás elvileg 10V tól valamivel kisebb jelenik meg a FET gate-jén, ha nem tévedek.

Előzmény: pbalazs, 2011-09-28 19:22:00 [158]


n/a (inaktív)    2011-09-28 19:48:00 [159]

különben az opto tipus a lényeg!
probálgatam több tipust 4n25...p817 kiestek a sorbol!
egyszerübb megoldás tlp521 pwm átvitelné is remekül teljesit de 6n137 az igazi már a szint ilesztési meg oldás is bene van egyben ha pl 3.3v lpt lene csak a meg hajtási cél 5v lpt meg nincs probléma...


pbalazs | 638    2011-09-28 19:22:00 [158]

Azt gondolom, hogy amikor IC1 kimenete (6-os láb) OC, akkor R5-C5-D8-C4 az "áramirány", vagyis C5 és C4 sorba kapcsolódik, ami felezi az 5V-ot a gate-en.
Amikor IC1/6 alacsony, akkor meg földre húzza a C5 előzőleg pozitívabb felét, és D9-en kisül. Ugye ekkor D9 anódja pozitívabb, mint a katódja, tehát vezet.
D8 pedig zár, mert az anódja a földhöz képest negatívabb éppen a C5 feszültségével, mert a korábban pozitívabb felét az IC1 földre húzta.

De ha már működik régóta, akkor lehet, hogy kár róla beszélni, csak meg akartam érteni, hogy mi a célja az áramkörnek.

Előzmény: Kulcsar Zoltan, 2011-09-28 19:07:00 [156]

n/a (inaktív)    2011-09-28 19:14:00 [157]

még egy fontos tudni valo ami a q1 az logic level fet ami 5v teljesen müködö képes az az 5v tol teljesen vezérelhetö már a gate résznél!

Előzmény: n/a (inaktív), 2011-09-28 19:01:00 [155]


Kulcsar Zoltan | 4197    2011-09-28 19:07:00 [156]

Szia

Most néztem meg a kapcsolást és ugyan ezt használom mér 5. éve de eddig nem volt vele gondom , igaz én nem használok elé optot csak direkt az LPT-röl .

Mit látsz benne amitöl nem kellene hoy müködjön?

Előzmény: pbalazs, 2011-09-28 18:38:00 [152]


n/a (inaktív)    2011-09-28 19:01:00 [155]

csak a teljes cpump.......

Előzmény: pbalazs, 2011-09-28 18:38:00 [152]


n/a (inaktív)    2011-09-28 18:57:00 [154]

ezt kétlem mert összerakot probanyákon tesztelve let nimden modul!:)

Előzmény: pbalazs, 2011-09-28 18:38:00 [152]


n/a (inaktív)    2011-09-28 18:55:00 [153]

Ezt olvasd ki Mach3 Mill Magyar Kézikönyve
#140 Kapcsolás nem tartalmaza step/dir vezésléshez valo funkciokat!
#140 Kapcsolás J4 Lábkiosztása!
LPT J4
1........1
14.......2
17.......3
16.......4
5 PC GND
6 Estop fizikai kapcsolo záro 0V
7 Estop fizikai kapcsolo záro +5V
8 V2 eletronika GND
9 V2 eletronika +5V





gyors elönézeti mach3 lpt funkciokra!
http://cnctar.hobbycnc.hu/MB/ELETRO/mach3_lpt_ossz.jpg

Előzmény: pbalazs, 2011-09-28 17:51:00 [149]


pbalazs | 638    2011-09-28 18:38:00 [152]

OK, értem, köszi.
Akkor a Q1 gate körében az csak charge pump? Mert ha igen, akkor szerintem így nem működik.

Előzmény: n/a (inaktív), 2011-09-28 18:16:00 [151]


n/a (inaktív)    2011-09-28 18:16:00 [151]

ez egy biztonsági védelem hogy pl a gépen a föorso ne induljon el szoftveres tévedésekböl sem mert sajnos a lpt pinjei kedvük szerint irodnak H/L szinre a vindows környezete alat!
igy egy pin kinevezve az lpt általába ez az 1 láb out kimet ami a mach3 amikor fut windows alat folyamatos 12.5Khz bocsájt ki a ami az ic1 2 lábon kap meg ez semi másra nem lesz aktiv csak ere a 12.5khz jelre igy a RL1 relé meg huz ami sorosan van kötve a föorso relével az RL2 igy be avatkozik a charge pump biztonság !
a RL2 relé eletronika " maromotor" csak egy másik aktiv lábon lesz aktiv mach3 szabadon definiálhato az az M3....M4...M5 aktiválni gépi kodbol a főorso motor parancsokal!

Előzmény: pbalazs, 2011-09-28 17:51:00 [149]


elektron | 15859    2011-09-28 18:01:00 [150]

Az kapja a 12 kHz-es frekvencia jelet , hogy működik a program és ezt szűri integrálja az a sok alkatrész a Q1 előtt.

Előzmény: pbalazs, 2011-09-28 17:51:00 [149]


pbalazs | 638    2011-09-28 17:51:00 [149]

Szia! Segíts egy kicsit, kérlek. A Q1 gate körében mire való az a sok alkatrész? az IC1 PWM-et kap? J4 megy a printerportra? Vagy honnan jönnek az optók vezérlő jelei?
Új vagyok még a CNC témában, és nem mindig tudom, hogy az itt megjelenő elektronika mire is való pontosan...

Előzmény: n/a (inaktív), 2011-09-27 19:21:00 [140]


n/a (inaktív)    2011-09-28 11:14:00 [148]

nincs gond..... jo hogy töben látjuk a kapcsolás gyenge pontjait ha csiszolni lehet rajta még!

Előzmény: svejk, 2011-09-28 11:01:00 [147]

svejk | 33157    2011-09-28 11:01:00 [147]

Nem jó a pwm-hez, a 6N137 csak fix 5V-ról megy
Bocsi!

Előzmény: n/a (inaktív), 2011-09-28 10:41:00 [146]


n/a (inaktív)    2011-09-28 10:41:00 [146]

E-stop hadweres disable a fizikai E-stop kapcsolo az opto ledje tápfeszen keresztül... plus még a szoftveresen is ha 2x biztositás vagyis a 7 lábak a mach3 szoftveres hibai eleni tul biztositás.....
enek az egésznek is külön tápfesz van az az saját 5V!
a másik külön 5v ami majd a pc beneneténél is 6n137 leszen azis teljesen potencia menetes 5v van a 6n 137 nél kapuk felüli tápfesznél (pc bemnetek)!
igy lehet a teljes galvanikuságot kihasználni szezrintem !:)
sajnos nincs freki válto igy a 0-10v áramkör egyedül azt nem tutam tesztelni!
de ha meg dobsz egy kapcsival 6n17 el egy 0-10v meg oldásal azt megköszöném és belerakom a nyákterbe tranyok helyet!:)


svejk | 33157    2011-09-28 08:53:00 [145]

Miért nem raktál a az OP1-helyett is 6N137-et akkor nem kellene a Q2, Q3 sem.

Az a hardware E-stop nem tudom honnan kap jelet, de a "charge pump" jobb lenne ha minden kimenetet tiltana.

Előzmény: n/a (inaktív), 2011-09-27 19:21:00 [140]


elektron | 15859    2011-09-28 00:34:00 [144]

kivárjuk ...

Előzmény: n/a (inaktív), 2011-09-28 00:18:00 [142]


n/a (inaktív)    2011-09-28 00:29:00 [143]

igy van ha türelmesen vársz elküldöm !

Előzmény: n/a (inaktív), 2011-09-28 00:18:00 [142]


n/a (inaktív)    2011-09-28 00:18:00 [142]

nemsoká lesz az is....

Előzmény: elektron, 2011-09-27 23:30:00 [141]


elektron | 15859    2011-09-27 23:30:00 [141]

van nyákterve is ?

Előzmény: n/a (inaktív), 2011-09-27 19:21:00 [140]


n/a (inaktív)    2011-09-27 19:21:00 [140]

Felrakom ide is hátha valaki ilyesmit keres....
Hadveres estop logic level 6n137!
alkalmazható mindkét Lpt tipusra 5V és 3.3V is az ilesztés!


n/a (inaktív)    2011-09-21 21:26:00 [139]

motorgyártot nem találtam edig semit csak a frekiváltorol hisz van neve és modelszáma !:)

Előzmény: Kulcsar Zoltan, 2011-09-21 21:22:00 [138]


Kulcsar Zoltan | 4197    2011-09-21 21:22:00 [138]

Szia

Az egyik képen azt irja hogy Japán inport a csapágy a másikon meg Germany Bearing ?

Nem tudom , majd ha egy meg áll talán lesz némi tapasztalat .

Előzmény: n/a (inaktív), 2011-09-21 21:13:00 [134]

n/a (inaktív)    2011-09-21 21:22:00 [137]

M8 hernyo csavar a hasitit oldalon elögeszitésre szolgál!
Költséget igen szépen meg növeli a ha nagyobb gépet épitesz A0 felet méreteknél mindett duplázni kel szinte pláne a hajtásokat az legyen orsos vagy bármi más megoldás!

Előzmény: JSC, 2011-09-21 12:36:00 [132]


szokes | 1651    2011-09-21 21:18:00 [136]

motorban nem nagyon vagyok képben, de ezek kefe nélküliek?

Vizesre csak azért gondoltam, mert ne szívja be a faporos levegőt:)

Előzmény: n/a (inaktív), 2011-09-21 21:13:00 [134]


szokes | 1651    2011-09-21 21:14:00 [135]

na akkor rendelem.... mondjuk én vizesbe gondolkodom!

Előzmény: n/a (inaktív), 2011-09-21 21:13:00 [134]


n/a (inaktív)    2011-09-21 21:13:00 [134]

Kolegam nemrég let egy ilyen 1.5kw léghütéses verzio er16 kivitelben motor + frekiválto és nagyon profi!:)
ezérti is linkeltem be sajnos hasonlo kivitelben T2 széria van 2x áron....
még mindig jobb mind a nem olcso szénkefés félipari megoldások....!

Előzmény: szokes, 2011-09-21 13:51:00 [133]


szokes | 1651    2011-09-21 13:51:00 [133]

A kínai motyókkal van valakinek tapasztalata? Mármint a motorra értem?

Előzmény: n/a (inaktív), 2011-09-20 20:31:00 [129]


  Fórum főoldal  |  A lap tetejére

Időrend:
Oldal 1 / 4   Sorok:
1  2  3  4   Következő ►  Utolsó ►|


 ◊ 
[ 0.8105 ]